《NB/T 31136-2018 海上用风力发电设备关键部件环境耐久性评价:变流器》是中国国家能源局发布的一项能源行业标准,适用于海上用风力发电设备的变流器的环境耐久性评价。
一、范围:
本标准规定了海上用风力发电设备变流器的海上环境耐久性评价试验项目、试验方法、严酷等级及试验合格判据等相关信息。
本标准适用于海上风力发电机组用变流器产品。
二、试验项目:
耐高低温试验、耐湿热试验、耐盐雾试验、耐霉菌试验等。
四、设备厂商:
.jpg)
五、试验程序(部分):
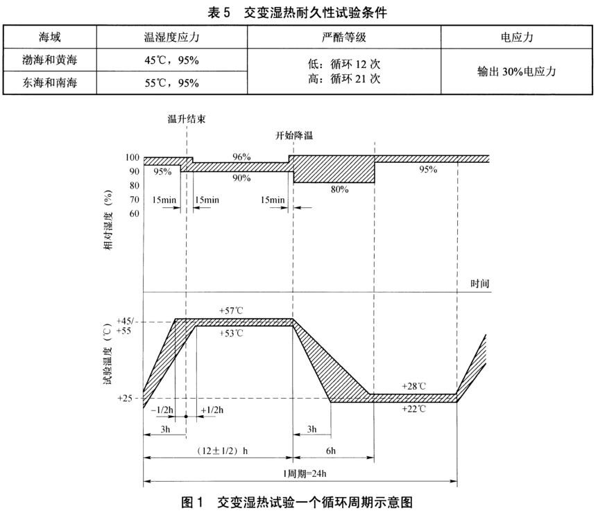
耐交变湿热试验:
试验方法依据GB/T 2423.4-2008中的“试验Db”进行。准备好试验样品,不包装,按照相关标准进行外观和电气性能检测。将试验样品放入温度为标准大气环境条件下的试验箱中,将温箱调至25℃±3K,并保持到试验样品达到温度稳定为止。
然后将湿度在1h内升至不小于95%RH,按照表5的交变湿热耐久性试验条件依据图1进行循环试验。在每个循环的第3h~9h内样品通电运行,输出30%额定电应力,并进行功能检查,其余时间试验样品不通电。试验过程中要进行功能检查,到试验结束后,2h恢复至标准大气环境条件,再按相关规范要求进行外观、性能和功能检查,以及按照4.2的要求进行绝缘功能测试。

总的来说,该标准的实施提高海上用风力发电设备变流器的环境耐久性能,保证其长期稳定运行,提高风力发电设备的安全性和可靠性。同时,该标准也为变流器的环境耐久性评价提供了统一的标准依据,有助于规范行业秩序,提高行业的整体水平。







