家用太阳能热水器的耐冻试验,是需要把太阳能热水器放置在(-20±2)℃的环境下,维持工作8h,来判断太阳能热水器的工作性能。做家用太阳能热水器的耐冻试验,需要有合适的耐冻室,怎样的家用太阳能热水器耐冻室才符合要求?下面我们来看看。
家用太阳能热水器耐冻室满足标准:
GB 19141-2011-T 家用太阳能热水系统技术条件
太阳能热水器耐冻室技术参数:
1、温度范围: -20℃~150℃ (可按需订制)
2、湿度范围: 无湿度要求,也可定制
3、温度波动:≤±0.5℃
4、温度均匀度:≤2℃
5、精度范围:温度±0.1℃、指示精度±0.1℃
6、一般型号:HYND-22
太阳能热水器耐冻室特点:
1、耐冻室外壳采用高级优质不锈钢( SUS#304)数控机床加工成型。
2、内胆采用进口高级不锈钢(SUS304) 镜面板。
3、保温材质:高密度玻璃纤维棉,保温层厚度为100mm。
4、温湿度循环系统:采用特制空调型低噪音长轴风扇电机,耐高低温之不锈钢多翼式叶轮,以大强度对流垂直扩散循环。
5、门与箱体之间采用双层耐高温之高张性密封条以确保测试区的密闭。
6、采用无反作用门把手,操作更容易。
7、测试孔(机器左侧)可外接测试电源线或信号。
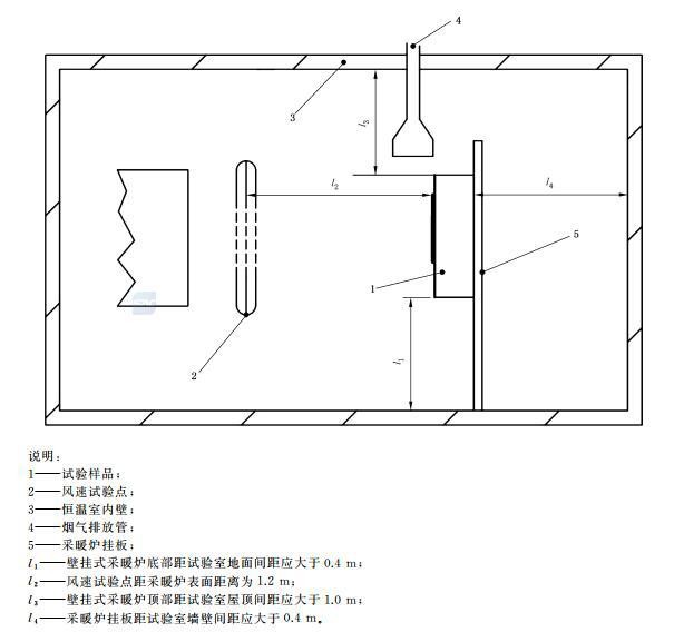
太阳能热水器耐冻室示意图:
.jpg)







